|
Model No. |
Stage | Ratio1 | AT065 FH |
AT075 FH |
AT090 FH |
AT110 FH |
AT140 FH |
AT170 FH |
AT210 FH |
AT240 FH |
AT280 FH |
|
| Nominal Output Torque T2N | Nm | 1 | 1 | 25 | 45 | 78 | 150 | 360 | 585 | 1,300 | 2,150 | 3,200 |
| 1.5 | 25 | 45 | 78 | 150 | 360 | 585 | 1,300 | 2,150 | 3,200 | |||
| 2 | 24 | 42 | 68 | 150 | 330 | 544 | 1,220 | 2,010 | 3,050 | |||
| 3 | 18 | 33 | 54 | 120 | 270 | 450 | 1,020 | 1,650 | 2,850 | |||
| 4 | 13 | 28 | 48 | 100 | 224 | 376 | 860 | 1,410 | 2,300 | |||
| 5 | 12 | 25 | 40 | 85 | 196 | 320 | 740 | 1,210 | 2,000 | |||
| 2 | 7 | 12 | 12 | 33 | 91 | 91 | 91 | 195 | 358 | 358 | ||
| 10 | 24 | 28 | 68 | 150 | 208 | 208 | 430 | 846 | 846 | |||
| 15 | 18 | 33 | 54 | 120 | 270 | 312 | 645 | 1,269 | 1,269 | |||
| 20 | 13 | 28 | 48 | 100 | 224 | 376 | 860 | 1,410 | 1,629 | |||
| 25 | 12 | 25 | 40 | 85 | 196 | 320 | 740 | 1,210 | 2,000 | |||
| 35 | 12 | 25 | 40 | 85 | 196 | 320 | 740 | 1,210 | 1,790 | |||
| 50 | 12 | 25 | 40 | 85 | 196 | 320 | 740 | 1,210 | 1,465 | |||
| 3 | 75 | - | - | - | 120 | 210 | 312 | 585 | 1,269 | 1,269 | ||
| 100 | - | - | - | 100 | 224 | 376 | 780 | 1,410 | 1,692 | |||
| 125 | - | - | - | 85 | 196 | 320 | 740 | 1,210 | 2,000 | |||
| 150 | - | - | - | 120 | 135 | 312 | 390 | 975 | 975 | |||
| 200 | - | - | - | 100 | 180 | 376 | 520 | 1,300 | 1,300 | |||
| 250 | - | - | - | 85 | 196 | 320 | 650 | 1,210 | 1,625 | |||
| 350 | - | - | - | 85 | 196 | 320 | 740 | 1,210 | 1,790 | |||
| 500 | - | - | - | 85 | 196 | 320 | 740 | 1,210 | 1,465 | |||
| Max. Acceleration Torque T2B | Nm | 1,2,3 | 1~500 | 1.5 times Nominal Output Torque T2N | ||||||||
| Max. Acceleration Input Speed n1B | rpm | 1 | 1~5 | 7,500 | 6,500 | 5,500 | 4,500 | 3,500 | 3,000 | 2,200 | 2,000 | 1,700 |
| 2 | 7~50 | 8,000 | 8,000 | 6,000 | 6,000 | 6,000 | 6,000 | 4,800 | 3,600 | 3,600 | ||
| 3 | 75~500 | - | - | - | 8,000 | 8,000 | 6,000 | 6,000 | 6,000 | 6,000 | ||
| Backlash(2) | arcmin | 1 | 1~5 | ≤ 6 | ≤ 6 | ≤ 6 | ≤ 6 | ≤ 6 | ≤ 6 | ≤ 6 | ≤ 6 | ≤ 6 |
| 2 | 7~50 | ≤ 8 | ≤ 8 | ≤ 8 | ≤ 8 | ≤ 8 | ≤ 8 | ≤ 8 | ≤ 8 | ≤ 8 | ||
| 3 | 75~500 | - | - | - | ≤ 10 | ≤ 10 | ≤ 10 | ≤ 10 | ≤ 10 | ≤ 10 | ||
| Max. Radial Load F2rB2 (3) Output d2 |
N | 1,2,3 | 1~500 | 900 | 1,100 | 1,700 | 2,700 | 4,800 | 6,600 | 11,500 | 16,000 | 18,000 |
| Max. Axial Load F2aB2 (3) Output d2 |
N | 1,2,3 | 1~500 | 450 | 550 | 850 | 1,350 | 2,400 | 3,300 | 5,750 | 8,500 | 9,000 |
| Efficiency | % | 1 | 1~5 | ≥ 98 % | ||||||||
| 2,3 | 7~500 | ≥ 94 % | ||||||||||
| Weight | kg | 1 | 1~5 | 2.6 | 4.1 | 6.7 | 11.4 | 18.9 | 32.9 | 63.2 | 92.5 | 146.0 |
| 2 | 7~50 | 3.1 | 4.6 | 7.7 | 13.6 | 22.4 | 35.3 | 67.9 | 103.7 | 158.7 | ||
| 3 | 75~500 | - | - | - | 13.3 | 21.9 | 35.6 | 67.2 | 101.5 | 156.5 | ||
| Operating Temp | ºC | 1,2,3 | 1~500 | -10ºC~+90ºC | ||||||||
| Lubrication | 1,2,3 | 1~500 | Synthetic Iubrication | |||||||||
| Noise Level(4) | dB(A) | 1,2,3 | 1~500 | ≤71 | ≤72 | ≤76 | ≤77 | ≤78 | ≤79 | ≤81 | ≤83 | ≤84 |

Maximum radial and axial loads:

The maximum radial and axial loads on the output shaft of the gearbox depends on the design of the gearbox supporting bearings.
Apex Dynamics uses the extension straddle oversized ball bearing design. This can take heavy load from both axles

Permitted radial load F2r on center of output shaft X = ½ x L for various output speeds.

If radial force F2r is not exerted on the center of the ouput shaft X < ½ x L or X > ½ x L, the permitted radial and axial loads can be calculated by the position load factor Kb on the above diagram.
|
Model No. |
Stage | Ratio1 | AT065 FH |
AT075 FH |
AT090 FH |
AT110 FH |
AT140 FH |
AT170 FH |
AT210 FH |
AT240 FH |
AT280 FH |
|
| Massa Moment of inertia J1 |
kg*cm2 | 1 | 1 | 0.51 | 1.30 | 3.14 | 7.62 | 23.54 | 59.09 | 195.96 | 365.38 | 787.63 |
| 1.5 | 0.46 | 1.15 | 2.80 | 6.65 | 19.34 | 49.38 | 156.02 | 279.62 | 584.28 | |||
| 2 | 0.44 | 1.10 | 2.68 | 6.23 | 17.72 | 45.44 | 140.80 | 245.78 | 500.26 | |||
| 3 | 0.43 | 1.09 | 2.64 | 6.08 | 17.16 | 44.11 | 135.51 | 233.75 | 471.56 | |||
| 4 | 0.43 | 1.08 | 2.63 | 6.05 | 17.03 | 43.79 | 134.14 | 230.77 | 464.76 | |||
| 5 | 0.43 | 1.08 | 2.63 | 6.04 | 16.99 | 43.69 | 133.71 | 229.71 | 462.08 | |||
| 2 | 7 | 0.15 | 0.15 | 0.50 | 2.79 | 2.79 | 2.79 | 9.91 | 29.26 | 29.26 | ||
| 10 | 0.15 | 0.15 | 0.50 | 2.80 | 2.80 | 2.80 | 9.96 | 29.43 | 29.43 | |||
| 15 | 0.15 | 0.15 | 0.50 | 2.80 | 2.80 | 2.80 | 9.96 | 29.43 | 29.43 | |||
| 20 | 0.15 | 0.15 | 0.50 | 2.80 | 2.80 | 2.80 | 9.96 | 29.43 | 29.43 | |||
| 25 | 0.15 | 0.15 | 0.50 | 2.80 | 2.80 | 2.80 | 9.96 | 29.43 | 29.43 | |||
| 35 | 0.15 | 0.15 | 0.50 | 2.79 | 2.79 | 2.79 | 9.91 | 29.26 | 29.26 | |||
| 50 | 0.15 | 0.15 | 0.50 | 2.79 | 2.79 | 2.79 | 9.89 | 29.20 | 29.20 | |||
| 3 | 75 | - | - | - | 0.15 | 0.15 | 0.50 | 0.50 | 2.80 | 2.80 | ||
| 100 | - | - | - | 0.15 | 0.15 | 0.50 | 0.50 | 2.80 | 2.80 | |||
| 125 | - | - | - | 0.15 | 0.15 | 0.50 | 0.50 | 2.80 | 2.80 | |||
| 150 | - | - | - | 0.15 | 0.15 | 0.50 | 0.50 | 2.79 | 2.79 | |||
| 200 | - | - | - | 0.15 | 0.15 | 0.50 | 0.50 | 2.79 | 2.79 | |||
| 250 | - | - | - | 0.15 | 0.15 | 0.50 | 0.50 | 2.79 | 2.79 | |||
| 350 | - | - | - | 0.15 | 0.15 | 0.50 | 0.50 | 2.79 | 2.79 | |||
| 500 | - | - | - | 0.15 | 0.15 | 0.50 | 0.50 | 2.79 | 2.79 | |||
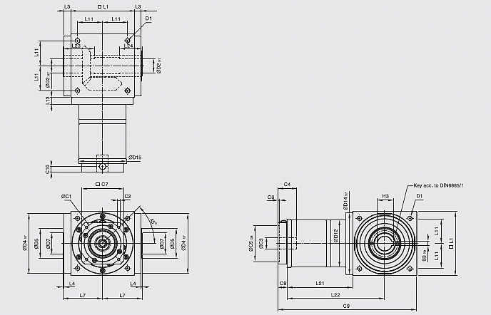
AT-FH series 1-stage, ratio i = 1 ~ 5

| AT065FH | AT075FH | AT090FH | AT110FH | AT140FH | AT170FH | AT210FH | AT240FH | AT280FH | |
| D1 | M4 | M6 | M6 | M8 | M10 | M12 | M16 | M16 | M16 |
| D2 H7 | 13 | 14 | 18 | 22 | 32 | 40 | 50 | 55 | 60 |
| D4 h7 | 63 | 73 | 88 | 108 | 135 | 165 | 205 | 235 | 275 |
| D5 | 31 | 35 | 43 | 53 | 68 | 83 | 104 | 124 | 144 |
| D7 | 21 | 22 | 28 | 33 | 47 | 55 | 75 | 85 | 110 |
| D12 | 62 | 72 | 86 | 106 | 104 | 128 | 160 | 180 | 200 |
| D14 h7 | 63 | 73 | 88 | 108 | 135 | 165 | 205 | 235 | 275 |
| D15 | 62.9 | 72.9 | 87 | 107 | 105 | 127 | 158 | 178 | 198 |
| L1 | 65 | 75 | 90 | 110 | 140 | 170 | 210 | 240 | 280 |
| L3 | 13 | 14.5 | 15 | 15 | 15 | 15 | 20 | 25 | 25 |
| L4 | 2 | 2 | 2 | 2 | 2 | 2 | 2 | 2 | 2 |
| L7 | 47.5 | 54 | 62 | 72 | 87 | 102 | 127 | 147 | 167 |
| L11 | 27 | 30 | 36 | 44 | 55 | 67 | 85 | 95 | 110 |
| L13 | 13 | 15 | 15 | 15 | 15 | 15 | 20 | 25 | 25 |
| L21 | 49 | 60.5 | 63 | 69.5 | 85.5 | 95 | 130 | 144.5 | 135 |
| L22 | 81.5 | 98 | 108 | 124.5 | 155.5 | 180 | 235 | 264.5 | 275 |
| L23 | 40 | 47 | 55 | 60 | 70 | 80 | 95 | 115 | 115 |
| L24 | 30 | 32 | 35 | 40 | 50 | 55 | 65 | 80 | 80 |
| C1 1 | 46 | 70 | 100 | 100 | 130 | 165 | 215 | 215 | 235 |
| C2 1 | M4 | M5 | M6 | M6 | M8 | M10 | M12 | M12 | M12 |
| C3 1 | ≤11 / ≤122 | ≤14 / ≤15.875 / ≤162 | ≤19 | ≤24 | ≤32 | ≤38 | ≤42 | ≤48 | ≤55 |
| C4 1 | 30 | 34 | 40 | 40 | 50 | 60 | 85 | 85 | 116 |
| C5 1G6 | 30 | 50 | 80 | 80 | 110 | 130 | 180 | 180 | 200 |
| C6 1 | 3.5 | 8 | 4 | 4 | 5 | 6 | 6 | 6 | 6 |
| C7 1 | 42 | 60 | 90 | 90 | 115 | 142 | 190 | 190 | 220 |
| C8 1 | 19.5 | 19 | 17 | 17 | 19.5 | 22.5 | 29 | 29 | 63 |
| C9 1 | 133.5 | 154.5 | 170 | 196.5 | 245 | 287.5 | 369 | 413.5 | 478 |
| C10 1 | 13.25 | 13.5 | 10.75 | 10.75 | 13 | 15 | 20.75 | 20.75 | 53.5 |
| B3 h9 | 5 | 5 | 6 | 6 | 10 | 12 | 14 | 16 | 18 |
| H3 | 15.3 | 16.3 | 20.8 | 24.8 | 35.5 | 43.3 | 53.8 | 59.3 | 64.4 |
1. C1~C10 are motor specific dimensions (metric std shown).
2. AT065 FHM1 offers C3 ≤ 12 option, AT075 FHM1 offers C3 ≤ 16, AT075 FHM2 offers ≤ 15.875
AT-FH series 2-stage, ratio i = 7 ~ 50

| AT065FH | AT075FH | AT090FH | AT110FH | AT140FH | AT170FH | AT210FH | AT240FH | AT280FH | |
| D1 | M4 | M6 | M6 | M8 | M10 | M12 | M16 | M16 | M16 |
| D2 H7 | 13 | 14 | 18 | 22 | 32 | 40 | 50 | 55 | 60 |
| D4 h7 | 63 | 73 | 88 | 108 | 135 | 165 | 205 | 235 | 275 |
| D5 | 31 | 35 | 43 | 53 | 68 | 83 | 104 | 124 | 144 |
| D7 | 21 | 22 | 28 | 33 | 47 | 55 | 75 | 85 | 110 |
| D12 | 62 | 72 | 86 | 106 | 104 | 128 | 160 | 180 | 200 |
| D14 h7 | 63 | 73 | 88 | 108 | 135 | 165 | 205 | 235 | 275 |
| D15 | 62.9 | 72.9 | 87 | 107 | 106 | 127 | 158 | 178 | 198 |
| L1 | 65 | 75 | 90 | 110 | 140 | 170 | 210 | 240 | 280 |
| L3 | 13 | 14.5 | 15 | 15 | 15 | 15 | 20 | 25 | 25 |
| L4 | 2 | 2 | 2 | 2 | 2 | 2 | 2 | 2 | 2 |
| L7 | 47.5 | 54 | 62 | 72 | 87 | 102 | 127 | 147 | 167 |
| L11 | 27 | 30 | 36 | 44 | 55 | 67 | 85 | 95 | 110 |
| L13 | 13 | 15 | 15 | 15 | 15 | 15 | 20 | 25 | 25 |
| L21 | 75 | 84.5 | 99 | 122 | 144.5 | 157.5 | 206.5 | 239 | 248 |
| L22 | 107.5 | 122 | 144 | 177 | 214.5 | 242.5 | 311.5 | 359 | 388 |
| L23 | 40 | 47 | 55 | 60 | 70 | 80 | 95 | 115 | 115 |
| L24 | 30 | 32 | 35 | 40 | 50 | 55 | 65 | 80 | 80 |
| C1 3 | 46 | 46 | 70 | 100 | 100 | 100 | 130 | 165 | 165 |
| C2 3 | M4 | M4 | M5 | M6 | M6 | M6 | M8 | M10 | M10 |
| C3 3 | ≤12 | ≤12 | ≤16 | ≤24 | ≤24 | ≤24 | ≤32 | ≤38 | ≤38 |
| C4 3 | 30 | 30 | 34 | 40 | 40 | 40 | 50 | 60 | 60 |
| C5 3G6 | 30 | 30 | 50 | 80 | 80 | 80 | 110 | 130 | 130 |
| C6 3 | 3.5 | 3.5 | 8 | 4 | 4 | 4 | 5 | 6 | 6 |
| C7 3 | 42 | 42 | 60 | 92 | 92 | 92 | 115 | 142 | 142 |
| C8 3 | 21.5 | 21.5 | 21.5 | 20 | 20 | 20 | 24 | 31 | 31 |
| C9 3 | 161.5 | 181 | 210.5 | 252 | 304.5 | 347.5 | 440.5 | 510 | 559 |
| C10 3 | 14.5 | 14.5 | 15.5 | 13 | 13 | 13 | 16 | 21 | 21 |
| B3 P9 | 5 | 5 | 6 | 6 | 10 | 12 | 14 | 16 | 18 |
| H3 | 15.3 | 16.3 | 20.8 | 24.8 | 35.3 | 43.3 | 53.8 | 59.3 | 64.4 |
3. C1~C10 are motor specific dimensions (metric std shown).
AT-FH series 3-stage, ratio i = 75 ~ 500

| AT110FH | AT140FH | AT170FH | AT210FH | AT240FH | AT280FH | |
| D1 | M8 | M10 | M12 | M16 | M16 | M16 |
| D2 H7 | 22 | 32 | 40 | 50 | 55 | 60 |
| D4 h7 | 108 | 135 | 165 | 205 | 235 | 275 |
| D5 | 53 | 68 | 83 | 104 | 124 | 144 |
| D7 | 33 | 47 | 55 | 75 | 85 | 110 |
| D12 | 106 | 104 | 128 | 160 | 180 | 200 |
| D14 h7 | 108 | 135 | 165 | 205 | 235 | 275 |
| D15 | 107 | 106 | 127 | 158 | 178 | 198 |
| L1 | 110 | 140 | 170 | 210 | 240 | 280 |
| L3 | 15 | 15 | 15 | 20 | 25 | 25 |
| L4 | 2 | 2 | 2 | 2 | 2 | 2 |
| L7 | 72 | 87 | 102 | 127 | 147 | 167 |
| L11 | 44 | 55 | 67 | 85 | 95 | 110 |
| L13 | 15 | 15 | 15 | 20 | 25 | 25 |
| L21 | 136.5 | 159.5 | 183.5 | 226 | 269 | 278 |
| L22 | 191.5 | 229.5 | 268.5 | 331 | 389 | 418 |
| L23 | 60 | 70 | 80 | 95 | 115 | 115 |
| L24 | 40 | 50 | 55 | 65 | 80 | 80 |
| C1 4 | 46 | 46 | 70 | 70 | 100 | 100 |
| C2 4 | M4 | M4 | M5 | M5 | M6 | M6 |
| C3 4 | ≤12 | ≤12 | ≤16 | ≤16 | ≤24 | ≤24 |
| C4 4 | 30 | 30 | 34 | 34 | 40 | 40 |
| C5 4G6 | 30 | 30 | 50 | 50 | 80 | 80 |
| C6 4 | 3.5 | 3.5 | 8 | 8 | 4 | 4 |
| C7 4 | 42 | 42 | 60 | 60 | 92 | 92 |
| C8 4 | 21.5 | 21.5 | 21.5 | 21.5 | 20 | 20 |
| C9 4 | 268 | 321 | 375 | 457.5 | 529 | 578 |
| C10 4 | 14.5 | 14.5 | 15.5 | 15.5 | 13 | 13 |
| B3 p9 | 6 | 10 | 12 | 14 | 16 | 18 |
| H3 | 24.8 | 35.3 | 43.3 | 53.8 | 59.3 | 64.4 |
4. C1~C10 are motor specific dimensions (metric std shown).
Need help with your application? Our specialists are happy to use their years of experience to assist you in selecting the right products.