|
Model No. |
Stage | Ratio1 | AT065 FL1/FR1 |
AT075 FL1/FR1 |
AT090 FL1/FR1 |
AT110 FL1/FR1 |
AT140 FL1/FR1 |
AT170 FL1/FR1 |
AT2101 FL1/FR1 |
AT240 FL1/FR1 |
AT280 FL1/FR1 |
|
| Nominal Output Torque T2N | Nm | 1 | 1 | 25 | 45 | 78 | 150 | 360 | 585 | 1,300 | 2,150 | 3,200 |
| 1.5 | 25 | 45 | 78 | 150 | 360 | 585 | 1,300 | 2,150 | 3,200 | |||
| 2 | 24 | 42 | 68 | 150 | 330 | 544 | 1,220 | 2,010 | 3,050 | |||
| 3 | 18 | 33 | 54 | 120 | 270 | 450 | 1,020 | 1,650 | 2,850 | |||
| 4 | 13 | 28 | 48 | 100 | 224 | 376 | 860 | 1,410 | 2,300 | |||
| 5 | 12 | 25 | 40 | 85 | 196 | 320 | 740 | 1,210 | 2,000 | |||
| 2 | 7 | 12 | 12 | 33 | 91 | 91 | 91 | 195 | 358 | 358 | ||
| 10 | 24 | 28 | 68 | 150 | 208 | 208 | 430 | 846 | 846 | |||
| 15 | 18 | 33 | 54 | 120 | 270 | 312 | 645 | 1,269 | 1,269 | |||
| 20 | 13 | 28 | 48 | 100 | 224 | 376 | 860 | 1,410 | 1,629 | |||
| 25 | 12 | 25 | 40 | 85 | 196 | 320 | 740 | 1,210 | 2,000 | |||
| 35 | 12 | 25 | 40 | 85 | 196 | 320 | 740 | 1,210 | 1,790 | |||
| 50 | 12 | 25 | 40 | 85 | 196 | 320 | 740 | 1,210 | 1,465 | |||
| 3 | 75 | - | - | - | 120 | 210 | 312 | 585 | 1,269 | 1,269 | ||
| 100 | - | - | - | 100 | 224 | 376 | 780 | 1,410 | 1,692 | |||
| 125 | - | - | - | 85 | 196 | 320 | 740 | 1,210 | 2,000 | |||
| 150 | - | - | - | 120 | 135 | 312 | 390 | 975 | 975 | |||
| 200 | - | - | - | 100 | 180 | 376 | 520 | 1,300 | 1,300 | |||
| 250 | - | - | - | 85 | 196 | 320 | 650 | 1,210 | 1,625 | |||
| 350 | - | - | - | 85 | 196 | 320 | 740 | 1,210 | 1,790 | |||
| 500 | - | - | - | 85 | 196 | 320 | 740 | 1,210 | 1,465 | |||
| Max. Acceleration Torque T2B | Nm | 1,2,3 | 1~500 | 1.5 times Nominal Output Torque T2N | ||||||||
| Max. Acceleration Input Speed n1B | rpm | 1 | 1~5 | 7,500 | 6,500 | 5,500 | 4,500 | 3,500 | 3,000 | 2,200 | 2,000 | 1,700 |
| 2 | 7~50 | 8,000 | 8,000 | 6,000 | 6,000 | 6,000 | 6,000 | 4,800 | 3,600 | 3,600 | ||
| 3 | 75~500 | - | - | - | 8,000 | 8,000 | 6,000 | 6,000 | 6,000 | 6,000 | ||
| Backlash(2) | arcmin | 1 | 1~5 | ≤ 6 | ≤ 6 | ≤ 6 | ≤ 6 | ≤ 6 | ≤ 6 | ≤ 6 | ≤ 6 | ≤ 6 |
| 2 | 7~50 | ≤ 8 | ≤ 8 | ≤ 8 | ≤ 8 | ≤ 8 | ≤ 8 | ≤ 8 | ≤ 8 | ≤ 8 | ||
| 3 | 75~500 | - | - | - | ≤ 10 | ≤ 10 | ≤ 10 | ≤ 10 | ≤ 10 | ≤ 10 | ||
| Max. Radial Load F2rB2 (3) Output d2 |
N | 1,2,3 | 1~500 | 900 | 1,100 | 1,700 | 2,700 | 4,800 | 6,600 | 11,500 | 16,000 | 18,000 |
| Max. Axial Load F2aB2 (3) Output d2 |
N | 1,2,3 | 1~500 | 450 | 550 | 850 | 1,350 | 2,400 | 3,300 | 5,750 | 8,500 | 9,000 |
| Efficiency | % | 1 | 1~5 | ≥ 98 % | ||||||||
| 2,3 | 7~500 | ≥ 94 % | ||||||||||
| Weight | kg | 1 | 1~5 | 2.7 | 4.3 | 7.1 | 11.9 | 20.3 | 35.5 | 68.3 | 99.6 | 156.0 |
| 2 | 7~50 | 3.2 | 4.8 | 8.0 | 14.2 | 23.9 | 37.9 | 73.0 | 110.8 | 168.6 | ||
| 3 | 75~500 | - | - | - | 13.8 | 23.4 | 38.2 | 72.3 | 108.6 | 166.4 | ||
| Operating Temp | ºC | 1,2,3 | 1~500 | -10ºC~+90ºC | ||||||||
| Lubrication | 1,2,3 | 1~500 | Synthetic Iubrication | |||||||||
| Noise Level(4) | dB(A) | 1,2,3 | 1~500 | ≤71 | ≤72 | ≤76 | ≤77 | ≤78 | ≤79 | ≤81 | ≤83 | ≤84 |
Rotation Direction

Maximum radial and axial loads:

The maximum radial and axial loads on the output shaft of the gearbox depends on the design of the gearbox supporting bearings.
Apex Dynamics uses the extension straddle oversized ball bearing design. This can take heavy load from both axles

Permitted radial load F2r on center of output shaft X = ½ x L for various output speeds.

If radial force F2r is not exerted on the center of the ouput shaft X < ½ x L or X > ½ x L, the permitted radial and axial loads can be calculated by the position load factor Kb on the above diagram.
|
Model No. |
Stage | Ratio1 | AT065 FL1/FR1 |
AT075 FL1/FR1 |
AT090 FL1/FR1 |
AT110 FL1/FR1 |
AT140 FL1/FR1 |
AT170 FL1/FR1 |
AT210 FL1/FR1 |
AT240 FL1/FR1 |
AT280 FL1/FR1 |
|
| Massa Moment of inertia J1 |
kg*cm2 | 1 | 1 | 0.51 | 1.30 | 3.14 | 7.62 | 23.54 | 59.09 | 195.96 | 365.38 | 787.63 |
| 1.5 | 0.46 | 1.15 | 2.80 | 6.65 | 19.34 | 49.38 | 156.02 | 279.62 | 584.28 | |||
| 2 | 0.44 | 1.10 | 2.68 | 6.23 | 17.72 | 45.44 | 140.80 | 245.78 | 500.26 | |||
| 3 | 0.43 | 1.09 | 2.64 | 6.08 | 17.16 | 44.11 | 135.51 | 233.75 | 471.56 | |||
| 4 | 0.43 | 1.08 | 2.63 | 6.05 | 17.03 | 43.79 | 134.14 | 230.77 | 464.76 | |||
| 5 | 0.43 | 1.08 | 2.63 | 6.04 | 16.99 | 43.69 | 133.71 | 229.71 | 462.08 | |||
| 2 | 7 | 0.15 | 0.15 | 0.50 | 2.79 | 2.79 | 2.79 | 9.91 | 29.26 | 29.26 | ||
| 10 | 0.15 | 0.15 | 0.50 | 2.80 | 2.80 | 2.80 | 9.96 | 29.43 | 29.43 | |||
| 15 | 0.15 | 0.15 | 0.50 | 2.80 | 2.80 | 2.80 | 9.96 | 29.43 | 29.43 | |||
| 20 | 0.15 | 0.15 | 0.50 | 2.80 | 2.80 | 2.80 | 9.96 | 29.43 | 29.43 | |||
| 25 | 0.15 | 0.15 | 0.50 | 2.80 | 2.80 | 2.80 | 9.96 | 29.43 | 29.43 | |||
| 35 | 0.15 | 0.15 | 0.50 | 2.79 | 2.79 | 2.79 | 9.91 | 29.26 | 29.26 | |||
| 50 | 0.15 | 0.15 | 0.50 | 2.79 | 2.79 | 2.79 | 9.89 | 29.20 | 29.20 | |||
| 3 | 75 | - | - | - | 0.15 | 0.15 | 0.50 | 0.50 | 2.80 | 2.80 | ||
| 100 | - | - | - | 0.15 | 0.15 | 0.50 | 0.50 | 2.80 | 2.80 | |||
| 125 | - | - | - | 0.15 | 0.15 | 0.50 | 0.50 | 2.80 | 2.80 | |||
| 150 | - | - | - | 0.15 | 0.15 | 0.50 | 0.50 | 2.79 | 2.79 | |||
| 200 | - | - | - | 0.15 | 0.15 | 0.50 | 0.50 | 2.79 | 2.79 | |||
| 250 | - | - | - | 0.15 | 0.15 | 0.50 | 0.50 | 2.79 | 2.79 | |||
| 350 | - | - | - | 0.15 | 0.15 | 0.50 | 0.50 | 2.79 | 2.79 | |||
| 500 | - | - | - | 0.15 | 0.15 | 0.50 | 0.50 | 2.79 | 2.79 | |||
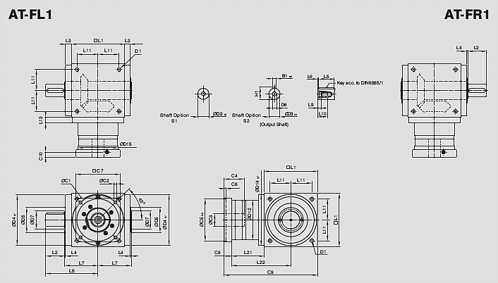
AT-FL1/FR1 series 1-stage, ratio i = 1 ~ 5

| AT065FL1 AT065FR1 |
AT075FL1 AT075FR1 |
AT090FL1 AT090FR1 |
AT110FL1 AT110FR1 |
AT140FL1 AT140FR1 |
AT170FL1 AT170FR1 |
AT210FL1 AT210FR1 |
AT240FL1 AT240FR1 |
AT280FL1 AT280FR1 |
|
| D1 | M4 | M6 | M6 | M8 | M10 | M12 | M16 | M16 | M16 |
| D3 k6 | 13 | 16 | 18 | 22 | 32 | 40 | 50 | 55 | 60 |
| D4 h7 | 63 | 73 | 88 | 108 | 135 | 165 | 205 | 235 | 275 |
| D5 | 31 | 35 | 43 | 53 | 68 | 83 | 104 | 124 | 144 |
| D6 | M4 | M5 | M5 | M8 | M12 | M16 | M16 | M16 | M20 |
| D7 | 21 | 22 | 28 | 33 | 47 | 55 | 75 | 85 | 110 |
| D12 | 62 | 72 | 86 | 106 | 104 | 128 | 160 | 180 | 200 |
| D14 h7 | 63 | 73 | 88 | 108 | 135 | 165 | 205 | 235 | 275 |
| D15 | 62.9 | 72.9 | 87 | 107 | 105 | 127 | 158 | 178 | 198 |
| L1 | 65 | 75 | 90 | 110 | 140 | 170 | 210 | 240 | 280 |
| L2 | 19.5 | 30 | 35 | 40 | 50 | 60 | 75 | 85 | 110 |
| L3 | 13 | 14.5 | 15 | 15 | 15 | 15 | 20 | 25 | 25 |
| L4 | 2 | 2 | 2 | 2 | 2 | 2 | 2 | 2 | 2 |
| L5 | 16 | 25 | 28 | 32 | 45 | 50 | 70 | 80 | 100 |
| L6 | 2 | 2.5 | 3.5 | 4 | 2.5 | 5 | 2.5 | 2.5 | 5 |
| L7 | 47.5 | 54 | 62 | 72 | 87 | 102 | 127 | 147 | 167 |
| L8 | 67 | 84 | 97 | 112 | 137 | 162 | 202 | 232 | 277 |
| L9 | 4.5 | 4.8 | 4.8 | 7.2 | 10 | 12 | 12 | 12 | 15 |
| L10 | 10 | 12.5 | 12.5 | 19 | 28 | 36 | 36 | 36 | 42 |
| L11 | 27 | 30 | 36 | 44 | 55 | 67 | 85 | 95 | 110 |
| L13 | 13 | 15 | 15 | 15 | 15 | 15 | 20 | 25 | 25 |
| L21 | 49 | 60.5 | 63 | 69.5 | 85.5 | 95 | 130 | 144.5 | 135 |
| L22 | 81.5 | 98 | 108 | 124.5 | 155.5 | 180 | 235 | 264.5 | 275 |
| C1 1 | 46 | 70 | 100 | 100 | 130 | 165 | 215 | 215 | 235 |
| C2 1 | M4 | M5 | M6 | M6 | M8 | M10 | M12 | M12 | M12 |
| C3 1 | ≤11 /≤122 | ≤14 / ≤15.875 / ≤162 | ≤19 | ≤24 | ≤32 | ≤38 | ≤42 | ≤48 | ≤55 |
| C4 1 | 30 | 34 | 40 | 40 | 50 | 60 | 85 | 85 | 116 |
| C5 1G6 | 30 | 50 | 80 | 80 | 110 | 130 | 180 | 180 | 200 |
| C6 1 | 3.5 | 8 | 4 | 4 | 5 | 6 | 6 | 6 | 6 |
| C7 1 | 42 | 60 | 90 | 90 | 115 | 142 | 190 | 190 | 220 |
| C8 1 | 19.5 | 19 | 17 | 17 | 19.5 | 22.5 | 29 | 29 | 63 |
| C9 1 | 133.5 | 154.5 | 170 | 196.5 | 245 | 287.5 | 369 | 413.5 | 478 |
| C10 1 | 13.25 | 13.5 | 10.75 | 10.75 | 13 | 15 | 20.75 | 20.75 | 53.5 |
| B1 h9 | 5 | 5 | 6 | 6 | 10 | 12 | 14 | 16 | 18 |
| H1 | 15 | 18 | 20.5 | 24.5 | 35 | 43 | 53.5 | 59 | 64 |
1. C1~C10 are motor specific dimensions (metric std shown).
2. AT065 FL1/FR1M1 offers C3 ≤ 12 option, AT075 FL1/FR1M1 offers C3 ≤ 16, AT075 FL1/FR1M2 offers ≤ 15.875
AT-FL1/FR1 series 2-stage, ratio i = 7 ~ 50

| AT065FL1 AT065FR1 |
AT075FL1 AT075FR1 |
AT090FL1 AT090FR1 |
AT110FL1 AT110FR1 |
AT140FL1 AT140FR1 |
AT170FL1 AT170FR1 |
AT210FL1 AT210FR1 |
AT240FL1 AT240FR1 |
AT280FL1 AT280FR1 |
|
| D1 | M4 | M6 | M6 | M8 | M10 | M12 | M16 | M16 | M16 |
| D3 k6 | 13 | 16 | 18 | 22 | 32 | 40 | 50 | 55 | 60 |
| D4 h7 | 63 | 73 | 88 | 108 | 135 | 165 | 205 | 235 | 275 |
| D5 | 31 | 35 | 43 | 53 | 68 | 83 | 104 | 124 | 144 |
| D6 | M4 | M5 | M5 | M8 | M12 | M16 | M16 | M16 | M20 |
| D7 | 21 | 22 | 28 | 33 | 47 | 55 | 75 | 85 | 110 |
| D12 | 62 | 72 | 86 | 106 | 104 | 128 | 160 | 180 | 200 |
| D14 h7 | 63 | 73 | 88 | 108 | 135 | 165 | 205 | 235 | 275 |
| D15 | 62.9 | 72.9 | 87 | 107 | 106 | 127 | 158 | 178 | 198 |
| L1 | 65 | 75 | 90 | 110 | 140 | 170 | 210 | 240 | 280 |
| L2 | 19.5 | 30 | 35 | 40 | 50 | 60 | 75 | 85 | 110 |
| L3 | 13 | 14.5 | 15 | 15 | 15 | 15 | 20 | 25 | 25 |
| L4 | 2 | 2 | 2 | 2 | 2 | 2 | 2 | 2 | 2 |
| L5 | 16 | 25 | 28 | 32 | 45 | 50 | 70 | 80 | 100 |
| L6 | 2 | 2.5 | 3.5 | 4 | 2.5 | 5 | 2.5 | 2.5 | 5 |
| L7 | 47.5 | 54 | 62 | 72 | 87 | 102 | 127 | 147 | 167 |
| L8 | 67 | 84 | 97 | 112 | 137 | 162 | 202 | 232 | 277 |
| L9 | 4.5 | 4.8 | 4.8 | 7.2 | 10 | 12 | 12 | 12 | 15 |
| L10 | 10 | 12.5 | 12.5 | 19 | 28 | 36 | 36 | 36 | 42 |
| L11 | 27 | 30 | 36 | 44 | 55 | 67 | 85 | 95 | 110 |
| L13 | 13 | 15 | 15 | 15 | 15 | 15 | 20 | 25 | 25 |
| L21 | 75 | 84.5 | 99 | 122 | 144.5 | 157.5 | 206.5 | 239 | 248 |
| L22 | 107.5 | 122 | 144 | 177 | 214.5 | 242.5 | 311.5 | 359 | 388 |
| C1 3 | 46 | 46 | 70 | 100 | 100 | 100 | 130 | 165 | 165 |
| C2 3 | M4 | M4 | M5 | M6 | M6 | M6 | M8 | M10 | M10 |
| C3 3 | ≤12 | ≤12 | ≤16 | ≤24 | ≤24 | ≤24 | ≤32 | ≤38 | ≤38 |
| C4 3 | 30 | 30 | 34 | 40 | 40 | 40 | 50 | 60 | 60 |
| C5 3G6 | 30 | 30 | 50 | 80 | 80 | 80 | 110 | 130 | 130 |
| C6 3 | 3.5 | 3.5 | 8 | 4 | 4 | 4 | 5 | 6 | 6 |
| C7 3 | 42 | 42 | 60 | 92 | 92 | 92 | 115 | 142 | 142 |
| C8 3 | 21.5 | 21.5 | 21.5 | 20 | 20 | 20 | 24 | 31 | 31 |
| C9 3 | 161.5 | 181 | 210.5 | 252 | 304.5 | 347.5 | 440.5 | 510 | 559 |
| C10 3 | 14.5 | 14.5 | 15.5 | 13 | 13 | 13 | 16 | 21 | 21 |
| B1 h9 | 5 | 5 | 6 | 6 | 10 | 12 | 14 | 16 | 18 |
| H1 | 15 | 18 | 20.5 | 24.5 | 35 | 43 | 53.5 | 59 | 64 |
3. C1~C10 are motor specific dimensions (metric std shown).
AT-FL series 3-stage, ratio i = 75 ~ 500

| AT110FL1 AT110FR1 |
AT140FL1 AT140FR1 |
AT170FL1 AT170FR1 |
AT210FL1 AT210FR1 |
AT240FL1 AT240FR1 |
AT280FL1 AT280FR1 |
|
| D1 | M8 | M10 | M12 | M16 | M16 | M16 |
| D3 k6 | 22 | 32 | 40 | 50 | 55 | 60 |
| D4 h7 | 108 | 135 | 165 | 205 | 235 | 275 |
| D5 | 53 | 68 | 83 | 104 | 124 | 144 |
| D6 | M8 | M12 | M16 | M16 | M16 | M20 |
| D7 | 33 | 47 | 55 | 75 | 85 | 110 |
| D12 | 106 | 104 | 128 | 160 | 180 | 200 |
| D14 h7 | 108 | 135 | 165 | 205 | 235 | 275 |
| D15 | 107 | 106 | 127 | 158 | 178 | 198 |
| L1 | 110 | 140 | 170 | 210 | 240 | 280 |
| L2 | 40 | 50 | 60 | 75 | 85 | 110 |
| L3 | 15 | 15 | 15 | 20 | 25 | 25 |
| L4 | 2 | 2 | 2 | 2 | 2 | 2 |
| L5 | 32 | 45 | 50 | 70 | 80 | 100 |
| L6 | 4 | 2.5 | 5 | 2.5 | 2.5 | 5 |
| L7 | 72 | 87 | 102 | 127 | 147 | 167 |
| L8 | 112 | 137 | 162 | 202 | 232 | 277 |
| L9 | 7.2 | 10 | 12 | 12 | 12 | 15 |
| L10 | 19 | 28 | 36 | 36 | 36 | 42 |
| L11 | 44 | 55 | 67 | 85 | 95 | 110 |
| L13 | 15 | 15 | 15 | 20 | 25 | 25 |
| L21 | 136.5 | 159.5 | 183.5 | 226 | 269 | 278 |
| L22 | 191.5 | 229.5 | 268.5 | 331 | 389 | 418 |
| C1 4 | 46 | 46 | 70 | 70 | 100 | 100 |
| C2 4 | M4 | M4 | M5 | M5 | M6 | M6 |
| C3 4 | ≤12 | ≤12 | ≤16 | ≤16 | ≤24 | ≤24 |
| C4 4 | 30 | 30 | 34 | 34 | 40 | 40 |
| C5 4G6 | 30 | 30 | 50 | 50 | 80 | 80 |
| C6 4 | 3.5 | 3.5 | 8 | 8 | 4 | 4 |
| C7 4 | 42 | 42 | 60 | 60 | 92 | 92 |
| C8 4 | 21.5 | 21.5 | 21.5 | 21.5 | 20 | 20 |
| C9 4 | 268 | 321 | 375 | 457.5 | 529 | 578 |
| C10 4 | 14.5 | 14.5 | 15.5 | 15.5 | 13 | 13 |
| B1 h9 | 6 | 10 | 12 | 14 | 16 | 18 |
| H1 | 24.5 | 35 | 43 | 53.5 | 59 | 64 |
4. C1~C10 are motor specific dimensions (metric std shown).
Need help with your application? Our specialists are happy to use their years of experience to assist you in selecting the right products.