| Bouwgrootte | trap | Ratio¹ | GVR098 | GVR130 | GVR165 | |
| Nominaal uitgangskoppel T2N | Nm | 2 | 22,5 | 76 | 237 | 418 |
| 31,5 | 54 | 180 | 396 | |||
| Noodstop koppel T2NOT | Nm | 2 | 22,5~31,5 | 3 keer het Nominaal uitgangskoppel T2N | ||
| Max. Acceleratie koppel T2B | Nm | 2 | 22,5~31,5 | 1,8 keer het Nominaal uitgangskoppel T2N | ||
| Nullast koppel (2) | NM | 2 | 22,5~31,5 | 0,3 | 0,4 | 0,8 |
| Verdraaispeling(3) | arcmin | 2 | 22,5~31,5 | ≤8 | ||
| Torsie stijfheid | Nm/arcmin | 2 | 22,5~31,5 | 8 | 12 | 16 |
| Nominaal Ingangssnelheid N1N | rpm | 2 | 22,5~31,5 | 3.600 | 3.600 | 3.600 |
| Max. Ingangssnelheid N1B | rpm | 2 | 22,5~31,5 | 6.000 | 6.000 | 6.000 |
| Max. Verticale Last | kg | 2 | 22,5~31,5 | 580 | 1.000 | 1.450 |
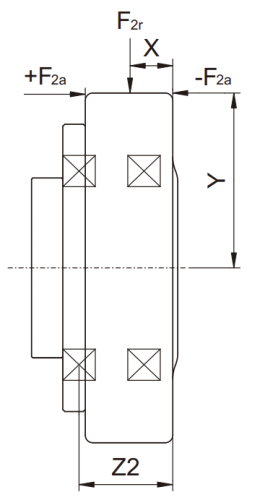
| Max. Kiepmoment M2k(4) | Nm | 2 | 22,5~31,5 | 115 | 250 | 470 |
| Bedrijfstemperatuur | °C | 2 | 22,5~31,5 | 0°C~ 90° C | ||
| Beschermingsklasse | 2 | 22,5~31,5 | IP54 | |||
| Smeermiddel | 2 | 22,5~31,5 | synthetisch smeermiddel | |||
| Montage positie | 2 | 22,5~31,5 | alle richtingen | |||
| Geluidsniveau (5) | dB(A) | 2 | 22,5~31,5 | ≤64 | ≤66 | ≤68 |
| Rendement | % | 2 | 22,5~31,5 | ≥94% | ||
| Gewicht | kg | 2 | 22,5~31,5 | 3.1 | 5.3 | 11.8 |
1. Overbrengverhouding (ratio) ( i = N in / N out )
2. Deze waarden zijn gemeten bij een reductor met ratio=31,5 (2-traps) bij 3.000 rpm zonder last
of bij de respectievelijke nominale ingangssnelheid bij een grotere bouwgrootte.
Bij een lagere ratio en/of hogere rpm, kunnen de waardes hoger zijn/
3. Verdraaispeling is gemeten bij 2% van het Nominaal uitgangskoppel T2N
4. Uitgeoefend op het midden van de as @ 100 rpm
5. Voor IP65 bescherming, neem contact op met Apex Dynamics


Opmerking: Toegepast op het midden van de uitgaande flens bij 100 rpm
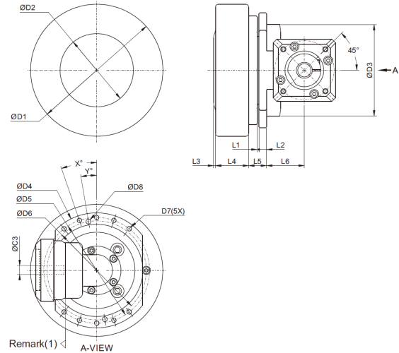
| Bouwgrootte | GVR098 | GVR130 | GVR165 | |
| Ø(1) | Trap | 2-traps | 2-traps | 2-traps |
| 8 | kg.cm2 | 0,18 | 0,36 | - |
| 11 | 0,20 | 0,39 | - | |
| 14 | 0,24 | 0,43 | 1,86 | |
| 19 | - | 1,24 | 2,67 | |
| 24 | - | - | 2,97 | |
| 28 | - | - | 3,47 | |
(1) Ø Ingaande as diameter

| Bouwgrootte | GVR098 | GVR130 | GVR165 |
| D1 h11 | 140 | 180 | 220 |
| D2 | 75 | 95 | 110 |
| D3 | 97 | 128 | 162 |
| D4 g6 | 122 | 158 | 200 |
| D5 | 112 | 148 | 185 |
| D6 | 105 | 138,5 | 176,5 |
| D7 | M5 x 0,8P x 8L | M6 x 1.0P x 12L | M8 x 1.25P x 16L |
| D8 | 5,2 | 6,4 | 9 |
| L1 | 2 | 3 | 4 |
| L2 | 8 | 12 | 16 |
| L3 | 2 | 4,5 | 5 |
| L4 | 35 | 48 | 60 |
| L5 | 19 | 25,5 | 33 |
| L6 | 40 | 53 | 64 |
| X in Graden | 19 | 18 | 19 |
| Y in Graden | 9,5 | 9 | 9,5 |
(1) Afmetingen zijn motor afhankelijk, neem contact op met Apex Dynamics voor details.
* De boring wordt afgewerkt met een spiebaan met een spiebaandiameter ?Ø6, conform DIN 6885/1, maattolerantie JS9.
Zie hieronder de spiebaan afmetingen die overeenkomen met elke boringdiameter.

| B (1) | Afmeting |
| 2 | 6 ≤ ØC3 ≤ 8 |
| 3 | 8 < ØC3 ≤ 10 |
| 4 | 10 < ØC3 ≤ 12 |
| 5 | 12 < ØC3 ≤ 17 |
| 6 | 17 < ØC3 ≤ 22 |
| 8 | 22 < ØC3 ≤ 30 |
(1) Boring afwerken met spiebaan ≥ Ø6, volgens DIN 6885/1 JS9.
Gebruik de spie van de motor met de juiste sterkte.
* Let op: GV kan alleen worden gecombineerd met een motor met spie en spiebaan.
Voor motoren zonder spie en spiebaan kunt u contact opnemen met Apex Dynamics.
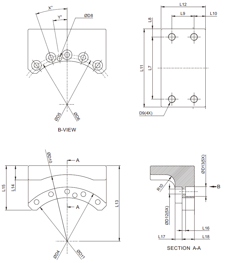
Afmetingen Basisplaat voor montage:

| Afmeting | GV098 | GV130 | GV165 |
| D4 H7 | 155 | 158 | 200 |
| D5 | 112 | 148 | 185 |
| D6 | 105 | 138,5 | 176,5 |
| D8 | 5,2 | 6,4 | 9 |
| D9 | M8 x 1,25P x 15L | M10 x 1.5P x 18L | M12 x 1.75P x 22L |
| D10 | 150 | 190 | 230 |
| D11 | 98 | 130 | 163 |
| D12 | 5,5 | 6,6 | 9 |
| D13 | 11 | 14 | 17,5 |
| L7 | 70 | 90 | 120 |
| L8 | 9 | 10 | 11 |
| L9 | 25 | 34 | 50 |
| L10 | 13 | 13 | 15 |
| L11 | 88 | 110 | 142 |
| L12 | 50 | 60 | 80 |
| L13 | 85 | 105 | 130 |
| L14 | 16 | 20 | 25 |
| L15 | 50 | 56 | 70 |
| L16 | 4 | 4,6 | 8 |
| L17 | 8 | 12 | 16 |
| L18 | 14 | 16,5 | 22 |
| X in Graden | 19 | 18 | 19 |
| Y in Graden | 9,5 | 9 | 9,5 |
Hulp nodig bij jouw applicatie? Onze specialisten gebruiken hun jarenlange ervaring graag om jou te helpen met de selectie van de juiste producten.