|
Bouwgrootte |
Trap | Ratio1 | ATB065 FL1/FR1 |
ATB075 FL1/FR1 |
ATB090 FL1/FR1 |
ATB110 FL1/FR1 |
ATB140 FL1/FR1 |
ATB170 FL1/FR1 |
ATB210 FL1/FR1 |
ATB240 FL1/FR1 |
ATB280 FL1/FR1 |
|
| Nominaal uitagngskoppel T2N | Nm | 1 | 1 | 25 | 45 | 78 | 150 | 360 | 585 | 1,300 | 2,150 | 3,200 |
| 1.5 | 25 | 45 | 78 | 150 | 360 | 585 | 1,300 | 2,150 | 3,200 | |||
| 2 | 24 | 42 | 68 | 150 | 330 | 544 | 1,220 | 2,010 | 3,050 | |||
| 3 | 18 | 33 | 54 | 120 | 270 | 450 | 1,020 | 1,650 | 2,850 | |||
| 4 | 13 | 28 | 48 | 100 | 224 | 376 | 860 | 1,410 | 2,300 | |||
| 5 | 12 | 25 | 40 | 85 | 196 | 320 | 740 | 1,210 | 2,000 | |||
| 2 | 7 | 12 | 12 | 33 | 91 | 91 | 91 | 195 | 358 | 358 | ||
| 10 | 24 | 28 | 68 | 150 | 208 | 208 | 430 | 846 | 846 | |||
| 15 | 18 | 33 | 54 | 120 | 270 | 312 | 645 | 1,269 | 1,269 | |||
| 20 | 13 | 28 | 48 | 100 | 224 | 376 | 860 | 1,410 | 1,629 | |||
| 25 | 12 | 25 | 40 | 85 | 196 | 320 | 740 | 1,210 | 2,000 | |||
| 35 | 12 | 25 | 40 | 85 | 196 | 320 | 740 | 1,210 | 1,790 | |||
| 50 | 12 | 25 | 40 | 85 | 196 | 320 | 740 | 1,210 | 1,465 | |||
| 3 | 75 | - | - | - | 120 | 210 | 312 | 585 | 1,269 | 1,269 | ||
| 100 | - | - | - | 100 | 224 | 376 | 780 | 1,410 | 1,692 | |||
| 125 | - | - | - | 85 | 196 | 320 | 740 | 1,210 | 2,000 | |||
| 150 | - | - | - | 120 | 135 | 312 | 390 | 975 | 975 | |||
| 200 | - | - | - | 100 | 180 | 376 | 520 | 1,300 | 1,300 | |||
| 250 | - | - | - | 85 | 196 | 320 | 650 | 1,210 | 1,625 | |||
| 350 | - | - | - | 85 | 196 | 320 | 740 | 1,210 | 1,790 | |||
| 500 | - | - | - | 85 | 196 | 320 | 740 | 1,210 | 1,465 | |||
| Max. Versnellingskoppel T2B |
Nm | 1,2,3 | 1~500 | 1.5 keer Nominaal koppel T2N | ||||||||
| Max. Versnelling Ingangssnelheid n1B | rpm | 1 | 1~5 | 7,500 | 6,500 | 5,500 | 4,500 | 3,500 | 3,000 | 2,200 | 2,000 | 1,700 |
| 2 | 7~50 | 8,000 | 8,000 | 6,000 | 6,000 | 6,000 | 6,000 | 4,800 | 3,600 | 3,600 | ||
| 3 | 75~500 | - | - | - | 8,000 | 8,000 | 6,000 | 6,000 | 6,000 | 6,000 | ||
| Verdraaispeling(2) | arcmin | 1 | 1~5 | ≤ 6 | ≤ 6 | ≤ 6 | ≤ 6 | ≤ 6 | ≤ 6 | ≤ 6 | ≤ 6 | ≤ 6 |
| 2 | 7~50 | ≤ 8 | ≤ 8 | ≤ 8 | ≤ 8 | ≤ 8 | ≤ 8 | ≤ 8 | ≤ 8 | ≤ 8 | ||
| 3 | 75~500 | - | - | - | ≤ 10 | ≤ 10 | ≤ 10 | ≤ 10 | ≤ 10 | ≤ 10 | ||
| Max. Radiale Last F2rB2 (3) Uitgang d2 |
N | 1,2,3 | 1~500 | 900 | 1,100 | 1,700 | 2,700 | 4,800 | 6,600 | 11,500 | 16,000 | 18,000 |
| Max. Axiale Last F2aB2 (3) Uitgang d2 |
N | 1,2,3 | 1~500 | 450 | 550 | 850 | 1,350 | 2,400 | 3,300 | 5,750 | 8,500 | 9,000 |
| Rendement | % | 1 | 1~5 | ≥ 98 % | ||||||||
| 2,3 | 7~500 | ≥ 94 % | ||||||||||
| Gewicht | kg | 1 | 1~5 | 2.7 | 4.3 | 7.1 | 11.9 | 20.3 | 35.5 | 68.3 | 99.6 | 156.0 |
| 2 | 7~50 | 3.2 | 4.8 | 8.0 | 14.2 | 23.9 | 37.9 | 73.0 | 110.8 | 168.6 | ||
| 3 | 75~500 | - | - | - | 13.8 | 23.4 | 38.2 | 72.3 | 108.6 | 166.4 | ||
| Bedrijfstemperatuur | ºC | 1,2,3 | 1~500 | -10ºC~+90ºC | ||||||||
| Smeermiddel | 1,2,3 | 1~500 | synthetisch smeermiddel | |||||||||
| geluidsniveau(4) | dB(A) | 1,2,3 | 1~500 | ≤71 | ≤72 | ≤76 | ≤77 | ≤78 | ≤79 | ≤81 | ≤83 | ≤84 |
Draairichting

Maximaal toegestane radiale en axiale kracht op de uitgaande as:

De toegestane radiale en axiale kracht op de uitgaande as zijn afhankelijk van het ontwerp van de lagers van de tandwielkast
Apex Dynamics gebruikt een ontwerp met ver uit elkaar liggende lager ringen. Deze kan zware krachten op beide assen aan.

De toegestane radiale kracht F2r op het midden van de uitgaande as X = ½ x L bij diverse uitgaande snelheden.

Als de radiale kracht F2r niet op het midden van de as wordt uitgevoerd (X < ½ x L of X > ½ x L) dan kan de toegestane radiale en axiale kracht uitgerekend worden door middel van de positie van de kracht Kb in de bovenstaande grafiek.
|
Bouwgrootte |
Trap | Ratio1 | ATB065 FL1/FR1 |
ATB075 FL1/FR1 |
ATB090 FL1/FR1 |
ATB110 FL1/FR1 |
ATB140 FL1/FR1 |
ATB170 FL1/FR1 |
ATB210 FL1/FR1 |
ATB240 FL1/FR1 |
ATB280 FL1/FR1 |
|
| Massatraagheid of inertia J1 |
kg*cm2 | 1 | 1 | 0.51 | 1.30 | 3.14 | 7.62 | 23.54 | 59.09 | 195.96 | 365.38 | 787.63 |
| 1.5 | 0.46 | 1.15 | 2.80 | 6.65 | 19.34 | 49.38 | 156.02 | 279.62 | 584.28 | |||
| 2 | 0.44 | 1.10 | 2.68 | 6.23 | 17.72 | 45.44 | 140.80 | 245.78 | 500.26 | |||
| 3 | 0.43 | 1.09 | 2.64 | 6.08 | 17.16 | 44.11 | 135.51 | 233.75 | 471.56 | |||
| 4 | 0.43 | 1.08 | 2.63 | 6.05 | 17.03 | 43.79 | 134.14 | 230.77 | 464.76 | |||
| 5 | 0.43 | 1.08 | 2.63 | 6.04 | 16.99 | 43.69 | 133.71 | 229.71 | 462.08 | |||
| 2 | 7 | 0.15 | 0.15 | 0.50 | 2.79 | 2.79 | 2.79 | 9.91 | 29.26 | 29.26 | ||
| 10 | 0.15 | 0.15 | 0.50 | 2.80 | 2.80 | 2.80 | 9.96 | 29.43 | 29.43 | |||
| 15 | 0.15 | 0.15 | 0.50 | 2.80 | 2.80 | 2.80 | 9.96 | 29.43 | 29.43 | |||
| 20 | 0.15 | 0.15 | 0.50 | 2.80 | 2.80 | 2.80 | 9.96 | 29.43 | 29.43 | |||
| 25 | 0.15 | 0.15 | 0.50 | 2.80 | 2.80 | 2.80 | 9.96 | 29.43 | 29.43 | |||
| 35 | 0.15 | 0.15 | 0.50 | 2.79 | 2.79 | 2.79 | 9.91 | 29.26 | 29.26 | |||
| 50 | 0.15 | 0.15 | 0.50 | 2.79 | 2.79 | 2.79 | 9.89 | 29.20 | 29.20 | |||
| 3 | 75 | - | - | - | 0.15 | 0.15 | 0.50 | 0.50 | 2.80 | 2.80 | ||
| 100 | - | - | - | 0.15 | 0.15 | 0.50 | 0.50 | 2.80 | 2.80 | |||
| 125 | - | - | - | 0.15 | 0.15 | 0.50 | 0.50 | 2.80 | 2.80 | |||
| 150 | - | - | - | 0.15 | 0.15 | 0.50 | 0.50 | 2.79 | 2.79 | |||
| 200 | - | - | - | 0.15 | 0.15 | 0.50 | 0.50 | 2.79 | 2.79 | |||
| 250 | - | - | - | 0.15 | 0.15 | 0.50 | 0.50 | 2.79 | 2.79 | |||
| 350 | - | - | - | 0.15 | 0.15 | 0.50 | 0.50 | 2.79 | 2.79 | |||
| 500 | - | - | - | 0.15 | 0.15 | 0.50 | 0.50 | 2.79 | 2.79 | |||
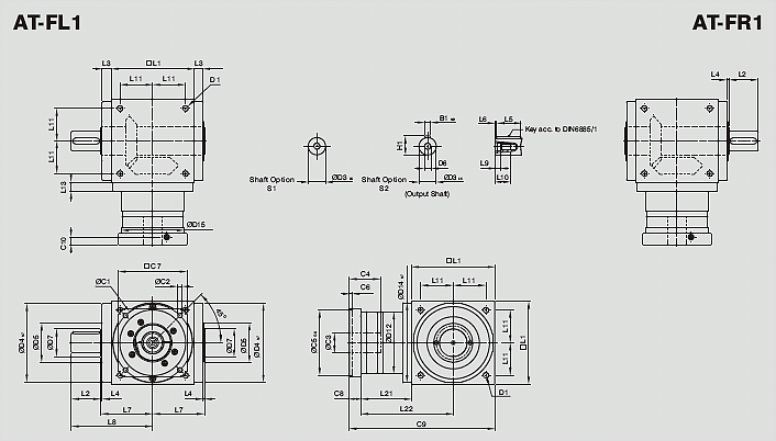
ATB-FL1/FR1 serie 1-traps, ratio i = 1 ~ 5

| ATB065FL1 ATB065FR1 |
ATB075FL1 ATB075FR1 |
ATB090FL1 ATB090FR1 |
ATB110FL1 ATB110FR1 |
ATB140FL1 ATB140FR1 |
ATB170FL1 ATB170FR1 |
ATB210FL1 ATB210FR1 |
ATB240FL1 ATB240FR1 |
ATB280FL1 ATB280FR1 |
|
| D1 | M4 | M6 | M6 | M8 | M10 | M12 | M16 | M16 | M16 |
| D3 k6 | 13 | 16 | 18 | 22 | 32 | 40 | 50 | 55 | 60 |
| D4 h7 | 63 | 73 | 88 | 108 | 135 | 165 | 205 | 235 | 275 |
| D5 | 31 | 35 | 43 | 53 | 68 | 83 | 104 | 124 | 144 |
| D6 | M4 | M5 | M5 | M8 | M12 | M16 | M16 | M16 | M20 |
| D7 | 21 | 22 | 28 | 33 | 47 | 55 | 75 | 85 | 110 |
| D12 | 62 | 72 | 86 | 106 | 104 | 128 | 160 | 180 | 200 |
| D14 h7 | 63 | 73 | 88 | 108 | 135 | 165 | 205 | 235 | 275 |
| D15 | 62.9 | 72.9 | 87 | 107 | 105 | 127 | 158 | 178 | 198 |
| L1 | 65 | 75 | 90 | 110 | 140 | 170 | 210 | 240 | 280 |
| L2 | 19.5 | 30 | 35 | 40 | 50 | 60 | 75 | 85 | 110 |
| L3 | 13 | 14.5 | 15 | 15 | 15 | 15 | 20 | 25 | 25 |
| L4 | 2 | 2 | 2 | 2 | 2 | 2 | 2 | 2 | 2 |
| L5 | 16 | 25 | 28 | 32 | 45 | 50 | 70 | 80 | 100 |
| L6 | 2 | 2.5 | 3.5 | 4 | 2.5 | 5 | 2.5 | 2.5 | 5 |
| L7 | 47.5 | 54 | 62 | 72 | 87 | 102 | 127 | 147 | 167 |
| L8 | 67 | 84 | 97 | 112 | 137 | 162 | 202 | 232 | 277 |
| L9 | 4.5 | 4.8 | 4.8 | 7.2 | 10 | 12 | 12 | 12 | 15 |
| L10 | 10 | 12.5 | 12.5 | 19 | 28 | 36 | 36 | 36 | 42 |
| L11 | 27 | 30 | 36 | 44 | 55 | 67 | 85 | 95 | 110 |
| L13 | 13 | 15 | 15 | 15 | 15 | 15 | 20 | 25 | 25 |
| L21 | 49 | 60.5 | 63 | 69.5 | 85.5 | 95 | 130 | 144.5 | 135 |
| L22 | 81.5 | 98 | 108 | 124.5 | 155.5 | 180 | 235 | 264.5 | 275 |
| C1 1 | 46 | 70 | 100 | 100 | 130 | 165 | 215 | 215 | 235 |
| C2 1 | M4 | M5 | M6 | M6 | M8 | M10 | M12 | M12 | M12 |
| C3 1 | ≤11 / ≤122 | ≤14 / ≤15.875 / ≤162 | ≤19 | ≤24 | ≤32 | ≤38 | ≤42 | ≤48 | ≤55 |
| C4 1 | 30 | 34 | 40 | 40 | 50 | 60 | 85 | 85 | 116 |
| C5 1G6 | 30 | 50 | 80 | 80 | 110 | 130 | 180 | 180 | 200 |
| C6 1 | 3.5 | 8 | 4 | 4 | 5 | 6 | 6 | 6 | 6 |
| C7 1 | 42 | 60 | 90 | 90 | 115 | 142 | 190 | 190 | 220 |
| C8 1 | 19.5 | 19 | 17 | 17 | 19.5 | 22.5 | 29 | 29 | 63 |
| C9 1 | 133.5 | 154.5 | 170 | 196.5 | 245 | 287.5 | 369 | 413.5 | 478 |
| C10 1 | 13.25 | 13.5 | 10.75 | 10.75 | 13 | 15 | 20.75 | 20.75 | 53.5 |
| B1 h9 | 5 | 5 | 6 | 6 | 10 | 12 | 14 | 16 | 18 |
| H1 | 15 | 18 | 20.5 | 24.5 | 35 | 43 | 53.5 | 59 | 64 |
1. C1~C10 zijn motor specifieke afmetingen.
2. ATB065 FL1/FR1M1 biedt C3 ≤ 12 optie, ATB075 FL1/FR1M1 biedt C3 ≤ 16 optie, ATB075 FL1/FR1M2 biedt C3 ≤ 15.875 optie
ATB-FL1/FR1 serie 2-traps, ratio i = 7 ~ 50

| ATB065FL1 ATB065FR1 |
ATB075FL1 ATB075FR1 |
ATB090FL1 ATB090FR1 |
ATB110FL1 ATB110FR1 |
ATB140FL1 ATB140FR1 |
ATB170FL1 ATB170FR1 |
ATB210FL1 ATB210FR1 |
ATB240FL1 ATB240FR1 |
ATB280FL1 ATB280FR1 |
|
| D1 | M4 | M6 | M6 | M8 | M10 | M12 | M16 | M16 | M16 |
| D3 k6 | 13 | 16 | 18 | 22 | 32 | 40 | 50 | 55 | 60 |
| D4 h7 | 63 | 73 | 88 | 108 | 135 | 165 | 205 | 235 | 275 |
| D5 | 31 | 35 | 43 | 53 | 68 | 83 | 104 | 124 | 144 |
| D6 | M4 | M5 | M5 | M8 | M12 | M16 | M16 | M16 | M20 |
| D7 | 21 | 22 | 28 | 33 | 47 | 55 | 75 | 85 | 110 |
| D12 | 62 | 72 | 86 | 106 | 104 | 128 | 160 | 180 | 200 |
| D14 h7 | 63 | 73 | 88 | 108 | 135 | 165 | 205 | 235 | 275 |
| D15 | 62.9 | 72.9 | 87 | 107 | 106 | 127 | 158 | 178 | 198 |
| L1 | 65 | 75 | 90 | 110 | 140 | 170 | 210 | 240 | 280 |
| L2 | 19.5 | 30 | 35 | 40 | 50 | 60 | 75 | 85 | 110 |
| L3 | 13 | 14.5 | 15 | 15 | 15 | 15 | 20 | 25 | 25 |
| L4 | 2 | 2 | 2 | 2 | 2 | 2 | 2 | 2 | 2 |
| L5 | 16 | 25 | 28 | 32 | 45 | 50 | 70 | 80 | 100 |
| L6 | 2 | 2.5 | 3.5 | 4 | 2.5 | 5 | 2.5 | 2.5 | 5 |
| L7 | 47.5 | 54 | 62 | 72 | 87 | 102 | 127 | 147 | 167 |
| L8 | 67 | 84 | 97 | 112 | 137 | 162 | 202 | 232 | 277 |
| L9 | 4.5 | 4.8 | 4.8 | 7.2 | 10 | 12 | 12 | 12 | 15 |
| L10 | 10 | 12.5 | 12.5 | 19 | 28 | 36 | 36 | 36 | 42 |
| L11 | 27 | 30 | 36 | 44 | 55 | 67 | 85 | 95 | 110 |
| L13 | 13 | 15 | 15 | 15 | 15 | 15 | 20 | 25 | 25 |
| L21 | 75 | 84.5 | 99 | 122 | 144.5 | 157.5 | 206.5 | 239 | 248 |
| L22 | 107.5 | 122 | 144 | 177 | 214.5 | 242.5 | 311.5 | 359 | 388 |
| C1 3 | 46 | 46 | 70 | 100 | 100 | 100 | 130 | 165 | 165 |
| C2 3 | M4 | M4 | M5 | M6 | M6 | M6 | M8 | M10 | M10 |
| C3 3 | ≤12 | ≤12 | ≤16 | ≤24 | ≤24 | ≤24 | ≤32 | ≤38 | ≤38 |
| C4 3 | 30 | 30 | 34 | 40 | 40 | 40 | 50 | 60 | 60 |
| C5 3G6 | 30 | 30 | 50 | 80 | 80 | 80 | 110 | 130 | 130 |
| C6 3 | 3.5 | 3.5 | 8 | 4 | 4 | 4 | 5 | 6 | 6 |
| C7 3 | 42 | 42 | 60 | 92 | 92 | 92 | 115 | 142 | 142 |
| C8 3 | 21.5 | 21.5 | 21.5 | 20 | 20 | 20 | 24 | 31 | 31 |
| C9 3 | 161.5 | 181 | 210.5 | 252 | 304.5 | 347.5 | 440.5 | 510 | 559 |
| C10 3 | 14.5 | 14.5 | 15.5 | 13 | 13 | 13 | 16 | 21 | 21 |
| B1 h9 | 5 | 5 | 6 | 6 | 10 | 12 | 14 | 16 | 18 |
| H1 | 15 | 18 | 20.5 | 24.5 | 35 | 43 | 53.5 | 59 | 64 |
3. C1~C10 zijn motor specifieke afmetingen.
ATB-FL serie 3-traps, ratio i = 75 ~ 500

| ATB110FL1 ATB110FR1 |
ATB140FL1 ATB140FR1 |
ATB170FL1 ATB170FR1 |
ATB210FL1 ATB210FR1 |
ATB240FL1 ATB240FR1 |
ATB280FL1 ATB280FR1 |
|
| D1 | M8 | M10 | M12 | M16 | M16 | M16 |
| D3 k6 | 22 | 32 | 40 | 50 | 55 | 60 |
| D4 h7 | 108 | 135 | 165 | 205 | 235 | 275 |
| D5 | 53 | 68 | 83 | 104 | 124 | 144 |
| D6 | M8 | M12 | M16 | M16 | M16 | M20 |
| D7 | 33 | 47 | 55 | 75 | 85 | 110 |
| D12 | 106 | 104 | 128 | 160 | 180 | 200 |
| D14 h7 | 108 | 135 | 165 | 205 | 235 | 275 |
| D15 | 107 | 106 | 127 | 158 | 178 | 198 |
| L1 | 110 | 140 | 170 | 210 | 240 | 280 |
| L2 | 40 | 50 | 60 | 75 | 85 | 110 |
| L3 | 15 | 15 | 15 | 20 | 25 | 25 |
| L4 | 2 | 2 | 2 | 2 | 2 | 2 |
| L5 | 32 | 45 | 50 | 70 | 80 | 100 |
| L6 | 4 | 2.5 | 5 | 2.5 | 2.5 | 5 |
| L7 | 72 | 87 | 102 | 127 | 147 | 167 |
| L8 | 112 | 137 | 162 | 202 | 232 | 277 |
| L9 | 7.2 | 10 | 12 | 12 | 12 | 15 |
| L10 | 19 | 28 | 36 | 36 | 36 | 42 |
| L11 | 44 | 55 | 67 | 85 | 95 | 110 |
| L13 | 15 | 15 | 15 | 20 | 25 | 25 |
| L21 | 136.5 | 159.5 | 183.5 | 226 | 269 | 278 |
| L22 | 191.5 | 229.5 | 268.5 | 331 | 389 | 418 |
| C1 4 | 46 | 46 | 70 | 70 | 100 | 100 |
| C2 4 | M4 | M4 | M5 | M5 | M6 | M6 |
| C3 4 | ≤12 | ≤12 | ≤16 | ≤16 | ≤24 | ≤24 |
| C4 4 | 30 | 30 | 34 | 34 | 40 | 40 |
| C5 4G6 | 30 | 30 | 50 | 50 | 80 | 80 |
| C6 4 | 3.5 | 3.5 | 8 | 8 | 4 | 4 |
| C7 4 | 42 | 42 | 60 | 60 | 92 | 92 |
| C8 4 | 21.5 | 21.5 | 21.5 | 21.5 | 20 | 20 |
| C9 4 | 268 | 321 | 375 | 457.5 | 529 | 578 |
| C10 4 | 14.5 | 14.5 | 15.5 | 15.5 | 13 | 13 |
| B1 h9 | 6 | 10 | 12 | 14 | 16 | 18 |
| H1 | 24.5 | 35 | 43 | 53.5 | 59 | 64 |
4. C1~C10 zijn motor specifieke afmetingen.
Hulp nodig bij jouw applicatie? Onze specialisten gebruiken hun jarenlange ervaring graag om jou te helpen met de selectie van de juiste producten.