|
Bouwgrootte |
Trap | Ratio(1) | AT065 FL |
AT075 FL |
AT090 FL |
AT110 FL |
AT140 FL |
AT170 FL |
AT210 FL |
AT240 FL |
AT280 FL |
|
| Nominaal uitagngskoppel T2N | Nm | 1 | 1 | 25 | 45 | 78 | 150 | 360 | 585 | 1,300 | 2,150 | 3,200 |
| 1.5 | 25 | 45 | 78 | 150 | 360 | 585 | 1,300 | 2,150 | 3,200 | |||
| 2 | 24 | 42 | 68 | 150 | 330 | 544 | 1,220 | 2,010 | 3,050 | |||
| 3 | 18 | 33 | 54 | 120 | 270 | 450 | 1,020 | 1,650 | 2,850 | |||
| 4 | 13 | 28 | 48 | 100 | 224 | 376 | 860 | 1,410 | 2,300 | |||
| 5 | 12 | 25 | 40 | 85 | 196 | 320 | 740 | 1,210 | 2,000 | |||
| 2 | 7 | 12 | 12 | 33 | 91 | 91 | 91 | 195 | 358 | 358 | ||
| 10 | 24 | 28 | 68 | 150 | 208 | 208 | 430 | 846 | 846 | |||
| 15 | 18 | 33 | 54 | 120 | 270 | 312 | 645 | 1,269 | 1,269 | |||
| 20 | 13 | 28 | 48 | 100 | 224 | 376 | 860 | 1,410 | 1,629 | |||
| 25 | 12 | 25 | 40 | 85 | 196 | 320 | 740 | 1,210 | 2,000 | |||
| 35 | 12 | 25 | 40 | 85 | 196 | 320 | 740 | 1,210 | 1,790 | |||
| 50 | 12 | 25 | 40 | 85 | 196 | 320 | 740 | 1,210 | 1,465 | |||
| 3 | 75 | - | - | - | 120 | 210 | 312 | 585 | 1,269 | 1,269 | ||
| 100 | - | - | - | 100 | 224 | 376 | 780 | 1,410 | 1,692 | |||
| 125 | - | - | - | 85 | 196 | 320 | 740 | 1,210 | 2,000 | |||
| 150 | - | - | - | 120 | 135 | 312 | 390 | 975 | 975 | |||
| 200 | - | - | - | 100 | 180 | 376 | 520 | 1,300 | 1,300 | |||
| 250 | - | - | - | 85 | 196 | 320 | 650 | 1,210 | 1,625 | |||
| 350 | - | - | - | 85 | 196 | 320 | 740 | 1,210 | 1,790 | |||
| 500 | - | - | - | 85 | 196 | 320 | 740 | 1,210 | 1,465 | |||
| Max Versnellingskoppel T2B |
Nm | 1,2,3 | 1~500 | 1.5 keer Nominaal koppel T2N | ||||||||
| Max. Versnelling Ingangssnelheid n1B | rpm | 1 | 1~5 | 7,500 | 6,500 | 5,500 | 4,500 | 3,500 | 3,000 | 2,200 | 2,000 | 1,700 |
| 2 | 7~50 | 8,000 | 8,000 | 6,000 | 6,000 | 6,000 | 6,000 | 4,800 | 3,600 | 3,600 | ||
| 3 | 75~500 | - | - | - | 8,000 | 8,000 | 6,000 | 6,000 | 6,000 | 6,000 | ||
| Verdraaispeling(2) | arcmin | 1 | 1~5 | ≤ 6 | ≤ 6 | ≤ 6 | ≤ 6 | ≤ 6 | ≤ 6 | ≤ 6 | ≤ 6 | ≤ 6 |
| 2 | 7~50 | ≤ 8 | ≤ 8 | ≤ 8 | ≤ 8 | ≤ 8 | ≤ 8 | ≤ 8 | ≤ 8 | ≤ 8 | ||
| 3 | 75~500 | - | - | - | ≤ 10 | ≤ 10 | ≤ 10 | ≤ 10 | ≤ 10 | ≤ 10 | ||
| Max. Radiale Last F2rB2 (3) Uitgang d2 |
N | 1,2,3 | 1~500 | 900 | 1,100 | 1,700 | 2,700 | 4,800 | 6,600 | 11,500 | 16,000 | 18,000 |
| Max. Axiale Last F2aB2 (3) Uitgang d2 |
N | 1,2,3 | 1~500 | 450 | 550 | 850 | 1,350 | 2,400 | 3,300 | 5,750 | 8,500 | 9,000 |
| Rendement | % | 1 | 1~5 | ≥ 98 % | ||||||||
| 2,3 | 7~500 | ≥ 94 % | ||||||||||
| Gewicht | kg | 1 | 1~5 | 2.8 | 4.4 | 7.1 | 12.1 | 20.9 | 36.1 | 69.4 | 101.2 | 158.3 |
| 2 | 7~50 | 3.2 | 4.8 | 8.1 | 14.3 | 24.2 | 38.5 | 74.1 | 112.4 | 171.0 | ||
| 3 | 75~500 | - | - | - | 13.9 | 23.7 | 38.8 | 73.4 | 110.2 | 168.7 | ||
| Bedrijfstemperatuur | ºC | 1,2,3 | 1~500 | -10ºC~+90ºC | ||||||||
| Smeermiddel | 1,2,3 | 1~500 | synthetisch smeermiddel | |||||||||
| geluidsniveau(4) | dB(A) | 1,2,3 | 1~500 | ≤71 | ≤72 | ≤76 | ≤77 | ≤78 | ≤79 | ≤81 | ≤83 | ≤84 |

Maximaal toegestane radiale en axiale kracht op de uitgaande as:

De toegestane radiale en axiale kracht op de uitgaande as zijn afhankelijk van het ontwerp van de lagers van de tandwielkast
Apex Dynamics gebruikt een ontwerp met ver uit elkaar liggende lager ringen. Deze kan zware krachten op beide assen aan.

De toegestane radiale kracht F2r op het midden van de uitgaande as X = ½ x L bij diverse uitgaande snelheden.

Als de radiale kracht F2r niet op het midden van de as wordt uitgevoerd (X < ½ x L of X > ½ x L) dan kan de toegestane radiale en axiale kracht uitgerekend worden door middel van de positie van de kracht Kb in de bovenstaande grafiek.
|
Bouwgrootte |
Trap | Ratio1 | AT065FL | AT075FL | AT090FL | AT110FL | AT140FL | AT170FL | AT210FL | AT240FL | AT280FL | |
| Massatraagheid of inertia J1 |
kg*cm2 | 1 | 1 | 0.51 | 1.30 | 3.14 | 7.62 | 23.54 | 59.09 | 195.96 | 365.38 | 787.63 |
| 1.5 | 0.46 | 1.15 | 2.80 | 6.65 | 19.34 | 49.38 | 156.02 | 279.62 | 584.28 | |||
| 2 | 0.44 | 1.10 | 2.68 | 6.23 | 17.72 | 45.44 | 140.80 | 245.78 | 500.26 | |||
| 3 | 0.43 | 1.09 | 2.64 | 6.08 | 17.16 | 44.11 | 135.51 | 233.75 | 471.56 | |||
| 4 | 0.43 | 1.08 | 2.63 | 6.05 | 17.03 | 43.79 | 134.14 | 230.77 | 464.76 | |||
| 5 | 0.43 | 1.08 | 2.63 | 6.04 | 16.99 | 43.69 | 133.71 | 229.71 | 462.08 | |||
| 2 | 7 | 0.15 | 0.15 | 0.50 | 2.79 | 2.79 | 2.79 | 9.91 | 29.26 | 29.26 | ||
| 10 | 0.15 | 0.15 | 0.50 | 2.80 | 2.80 | 2.80 | 9.96 | 29.43 | 29.43 | |||
| 15 | 0.15 | 0.15 | 0.50 | 2.80 | 2.80 | 2.80 | 9.96 | 29.43 | 29.43 | |||
| 20 | 0.15 | 0.15 | 0.50 | 2.80 | 2.80 | 2.80 | 9.96 | 29.43 | 29.43 | |||
| 25 | 0.15 | 0.15 | 0.50 | 2.80 | 2.80 | 2.80 | 9.96 | 29.43 | 29.43 | |||
| 35 | 0.15 | 0.15 | 0.50 | 2.79 | 2.79 | 2.79 | 9.91 | 29.26 | 29.26 | |||
| 50 | 0.15 | 0.15 | 0.50 | 2.79 | 2.79 | 2.79 | 9.89 | 29.20 | 29.20 | |||
| 3 | 75 | - | - | - | 0.15 | 0.15 | 0.50 | 0.50 | 2.80 | 2.80 | ||
| 100 | - | - | - | 0.15 | 0.15 | 0.50 | 0.50 | 2.80 | 2.80 | |||
| 125 | - | - | - | 0.15 | 0.15 | 0.50 | 0.50 | 2.80 | 2.80 | |||
| 150 | - | - | - | 0.15 | 0.15 | 0.50 | 0.50 | 2.79 | 2.79 | |||
| 200 | - | - | - | 0.15 | 0.15 | 0.50 | 0.50 | 2.79 | 2.79 | |||
| 250 | - | - | - | 0.15 | 0.15 | 0.50 | 0.50 | 2.79 | 2.79 | |||
| 350 | - | - | - | 0.15 | 0.15 | 0.50 | 0.50 | 2.79 | 2.79 | |||
| 500 | - | - | - | 0.15 | 0.15 | 0.50 | 0.50 | 2.79 | 2.79 | |||
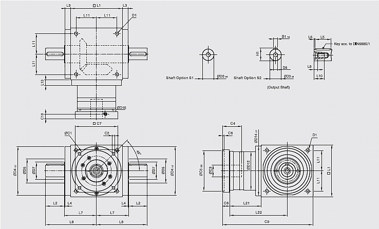
AT-FL serie 1-traps, ratio i = 1 ~ 5

| AT065FL | AT075FL | AT090FL | AT110FL | AT140FL | AT170FL | AT210FL | AT240FL | AT280FL | |
| D1 | M4 | M6 | M6 | M8 | M10 | M12 | M16 | M16 | M16 |
| D3 k6 | 13 | 16 | 18 | 22 | 32 | 40 | 50 | 55 | 60 |
| D4 h7 | 63 | 73 | 88 | 108 | 135 | 165 | 205 | 235 | 275 |
| D5 | 31 | 35 | 43 | 53 | 68 | 83 | 104 | 124 | 144 |
| D6 | M4 | M5 | M5 | M8 | M12 | M16 | M16 | M16 | M20 |
| D7 | 21 | 22 | 28 | 33 | 47 | 55 | 75 | 85 | 110 |
| D12 | 62 | 72 | 86 | 106 | 104 | 128 | 160 | 180 | 200 |
| D14 h7 | 63 | 73 | 88 | 108 | 135 | 165 | 205 | 235 | 275 |
| D15 | 62.9 | 72.9 | 87 | 107 | 105 | 127 | 158 | 178 | 198 |
| L1 | 65 | 75 | 90 | 110 | 140 | 170 | 210 | 240 | 280 |
| L2 | 19.5 | 30 | 35 | 40 | 50 | 60 | 75 | 85 | 110 |
| L3 | 13 | 14.5 | 15 | 15 | 15 | 15 | 20 | 25 | 25 |
| L4 | 2 | 2 | 2 | 2 | 2 | 2 | 2 | 2 | 2 |
| L5 | 16 | 25 | 28 | 32 | 45 | 50 | 70 | 80 | 100 |
| L6 | 2 | 2.5 | 3.5 | 4 | 2.5 | 5 | 2.5 | 2.5 | 5 |
| L7 | 47.5 | 54 | 62 | 72 | 87 | 102 | 127 | 147 | 167 |
| L8 | 67 | 84 | 97 | 112 | 137 | 162 | 202 | 232 | 277 |
| L9 | 4.5 | 4.8 | 4.8 | 7.2 | 10 | 12 | 12 | 12 | 15 |
| L10 | 10 | 12.5 | 12.5 | 19 | 28 | 36 | 36 | 36 | 42 |
| L11 | 27 | 30 | 36 | 44 | 55 | 67 | 85 | 95 | 110 |
| L13 | 13 | 15 | 15 | 15 | 15 | 15 | 20 | 25 | 25 |
| L21 | 49 | 60.5 | 63 | 69.5 | 85.5 | 95 | 130 | 144.5 | 135 |
| L22 | 81.5 | 98 | 108 | 124.5 | 155.5 | 180 | 235 | 264.5 | 275 |
| C1 1 | 46 | 70 | 100 | 100 | 130 | 165 | 215 | 215 | 235 |
| C2 1 | M4 | M5 | M6 | M6 | M8 | M10 | M12 | M12 | M12 |
| C3 1 | ≤11 / ≤122 | ≤14 / ≤15.875 / ≤162 | ≤19 | ≤24 | ≤32 | ≤38 | ≤42 | ≤48 | ≤55 |
| C4 1 | 30 | 34 | 40 | 40 | 50 | 60 | 85 | 85 | 116 |
| C5 1G6 | 30 | 50 | 80 | 80 | 110 | 130 | 180 | 180 | 200 |
| C6 1 | 3.5 | 8 | 4 | 4 | 5 | 6 | 6 | 6 | 6 |
| C7 1 | 42 | 60 | 90 | 90 | 115 | 142 | 190 | 190 | 220 |
| C8 1 | 19.5 | 19 | 17 | 17 | 19.5 | 22.5 | 29 | 29 | 63 |
| C9 1 | 133.5 | 154.5 | 170 | 196.5 | 245 | 287.5 | 369 | 413.5 | 478 |
| C10 1 | 13.25 | 13.5 | 10.75 | 10.75 | 13 | 15 | 20.75 | 20.75 | 53.5 |
| B1 h9 | 5 | 5 | 6 | 6 | 10 | 12 | 14 | 16 | 18 |
| H1 | 15 | 18 | 20.5 | 24.5 | 35 | 43 | 53.5 | 59 | 64 |
1. C1~C10 zijn motor specifieke afmetingen.
2. AT065 FLM1 biedt C3 ≤ 12 optie, AT075 FLM1 biedt C3 ≤ 16 optie, AT075 FLM2 biedt C3 ≤ 15.875 optie
AT-FL serie 2-traps, ratio i = 7 ~ 50

| AT065FL | AT075FL | AT090FL | AT110FL | AT140FL | AT170FL | AT210FL | AT240FL | AT280FL | |
| D1 | M4 | M6 | M6 | M8 | M10 | M12 | M16 | M16 | M16 |
| D3 k6 | 13 | 16 | 18 | 22 | 32 | 40 | 50 | 55 | 60 |
| D4 h7 | 63 | 73 | 88 | 108 | 135 | 165 | 205 | 235 | 275 |
| D5 | 31 | 35 | 43 | 53 | 68 | 83 | 104 | 124 | 144 |
| D6 | M4 | M5 | M5 | M8 | M12 | M16 | M16 | M16 | M20 |
| D7 | 21 | 22 | 28 | 33 | 47 | 55 | 75 | 85 | 110 |
| D12 | 62 | 72 | 86 | 106 | 104 | 128 | 160 | 180 | 200 |
| D14 h7 | 63 | 73 | 88 | 108 | 135 | 165 | 205 | 235 | 275 |
| D15 | 62.9 | 72.9 | 87 | 107 | 106 | 127 | 158 | 178 | 198 |
| L1 | 65 | 75 | 90 | 110 | 140 | 170 | 210 | 240 | 280 |
| L2 | 19.5 | 30 | 35 | 40 | 50 | 60 | 75 | 85 | 110 |
| L3 | 13 | 14.5 | 15 | 15 | 15 | 15 | 20 | 25 | 25 |
| L4 | 2 | 2 | 2 | 2 | 2 | 2 | 2 | 2 | 2 |
| L5 | 16 | 25 | 28 | 32 | 45 | 50 | 70 | 80 | 100 |
| L6 | 2 | 2.5 | 3.5 | 4 | 2.5 | 5 | 2.5 | 2.5 | 5 |
| L7 | 47.5 | 54 | 62 | 72 | 87 | 102 | 127 | 147 | 167 |
| L8 | 67 | 84 | 97 | 112 | 137 | 162 | 202 | 232 | 277 |
| L9 | 4.5 | 4.8 | 4.8 | 7.2 | 10 | 12 | 12 | 12 | 15 |
| L10 | 10 | 12.5 | 12.5 | 19 | 28 | 36 | 36 | 36 | 42 |
| L11 | 27 | 30 | 36 | 44 | 55 | 67 | 85 | 95 | 110 |
| L13 | 13 | 15 | 15 | 15 | 15 | 15 | 20 | 25 | 25 |
| L21 | 75 | 84.5 | 99 | 122 | 144.5 | 157.5 | 206.5 | 239 | 248 |
| L22 | 107.5 | 122 | 144 | 177 | 214.5 | 242.5 | 311.5 | 359 | 388 |
| C1 3 | 46 | 46 | 70 | 100 | 100 | 100 | 130 | 165 | 165 |
| C2 3 | M4 | M4 | M5 | M6 | M6 | M6 | M8 | M10 | M10 |
| C3 3 | ≤12 | ≤12 | ≤16 | ≤24 | ≤24 | ≤24 | ≤32 | ≤38 | ≤38 |
| C4 3 | 30 | 30 | 34 | 40 | 40 | 40 | 50 | 60 | 60 |
| C5 3G6 | 30 | 30 | 50 | 80 | 80 | 80 | 110 | 130 | 130 |
| C6 3 | 3.5 | 3.5 | 8 | 4 | 4 | 4 | 5 | 6 | 6 |
| C7 3 | 42 | 42 | 60 | 92 | 92 | 92 | 115 | 142 | 142 |
| C8 3 | 21.5 | 21.5 | 21.5 | 20 | 20 | 20 | 24 | 31 | 31 |
| C9 3 | 161.5 | 181 | 210.5 | 252 | 304.5 | 347.5 | 440.5 | 510 | 559 |
| C10 3 | 14.5 | 14.5 | 15.5 | 13 | 13 | 13 | 16 | 21 | 21 |
| B1 h9 | 5 | 5 | 6 | 6 | 10 | 12 | 14 | 16 | 18 |
| H1 | 15 | 18 | 20.5 | 24.5 | 35 | 43 | 53.5 | 59 | 64 |
3. C1~C10 zijn motor specifieke afmetingen.
AT-FL serie 3-traps, ratio i = 75 ~ 500

| AT110FL | AT140FL | AT170FL | AT210FL | AT240FL | AT280FL | |
| D1 | M8 | M10 | M12 | M16 | M16 | M16 |
| D3 k6 | 22 | 32 | 40 | 50 | 55 | 60 |
| D4 h7 | 108 | 135 | 165 | 205 | 235 | 275 |
| D5 | 53 | 68 | 83 | 104 | 124 | 144 |
| D6 | M8 | M12 | M16 | M16 | M16 | M20 |
| D7 | 33 | 47 | 55 | 75 | 85 | 110 |
| D12 | 106 | 104 | 128 | 160 | 180 | 200 |
| D14 h7 | 108 | 135 | 165 | 205 | 235 | 275 |
| D15 | 107 | 106 | 127 | 158 | 178 | 198 |
| L1 | 110 | 140 | 170 | 210 | 240 | 280 |
| L2 | 40 | 50 | 60 | 75 | 85 | 110 |
| L3 | 15 | 15 | 15 | 20 | 25 | 25 |
| L4 | 2 | 2 | 2 | 2 | 2 | 2 |
| L5 | 32 | 45 | 50 | 70 | 80 | 100 |
| L6 | 4 | 2.5 | 5 | 2.5 | 2.5 | 5 |
| L7 | 72 | 87 | 102 | 127 | 147 | 167 |
| L8 | 112 | 137 | 162 | 202 | 232 | 277 |
| L9 | 7.2 | 10 | 12 | 12 | 12 | 15 |
| L10 | 19 | 28 | 36 | 36 | 36 | 42 |
| L11 | 44 | 55 | 67 | 85 | 95 | 110 |
| L13 | 15 | 15 | 15 | 20 | 25 | 25 |
| L21 | 136.5 | 159.5 | 183.5 | 226 | 269 | 278 |
| L22 | 191.5 | 229.5 | 268.5 | 331 | 389 | 418 |
| C1 4 | 46 | 46 | 70 | 70 | 100 | 100 |
| C2 4 | M4 | M4 | M5 | M5 | M6 | M6 |
| C3 4 | ≤12 | ≤12 | ≤16 | ≤16 | ≤24 | ≤24 |
| C4 4 | 30 | 30 | 34 | 34 | 40 | 40 |
| C5 4G6 | 30 | 30 | 50 | 50 | 80 | 80 |
| C6 4 | 3.5 | 3.5 | 8 | 8 | 4 | 4 |
| C7 4 | 42 | 42 | 60 | 60 | 92 | 92 |
| C8 4 | 21.5 | 21.5 | 21.5 | 21.5 | 20 | 20 |
| C9 4 | 268 | 321 | 375 | 457.5 | 529 | 578 |
| C10 4 | 14.5 | 14.5 | 15.5 | 15.5 | 13 | 13 |
| B2 h9 | 6 | 10 | 12 | 14 | 16 | 18 |
| H1 | 24.5 | 35 | 43 | 53.5 | 59 | 64 |
Hulp nodig bij jouw applicatie? Onze specialisten gebruiken hun jarenlange ervaring graag om jou te helpen met de selectie van de juiste producten.